AY
CLASS:Wipers
FEATURE:

COTACT US
TEl:0086-0576-83558888
E-Mail:postmaster@xipuli.com.cn
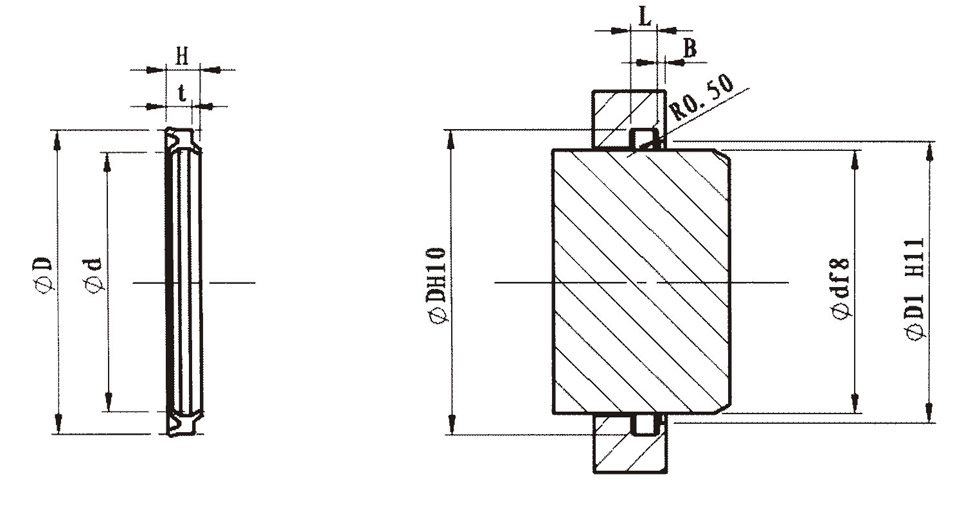
The function of the AY type double-lip dust seal is to prevent the entry of dust, dirt, sand, and metal shavings. This is achieved through a special design, which greatly prevents scratches, protects the guiding components, and extends the service life of the seal. The AY type double-lip dust seal seals the piston rod along the direction of the cylinder body. No special screws or brackets are required for installation, no strict tolerances are required, and no metal inserts are needed. The dust seal is a continuous ring shape and can be easily installed into the groove.
In addition, the medium-oriented sealing lip reduces the remaining oil film. The polyurethane compound ensures excellent wear resistance during dry friction, and its good resistance to ozone and radiation caused by weather conditions extends its service life.
Scope of application:
The AY type double lip dust seal is used for axial motion rods of hydraulic cylinders, pneumatic cylinders, hoists, and guide rods.
Operating temperature: -35~+100℃ Surface speed: ≤2m/s
Installation: The AY type double lip dust seal can be easily installed into a groove with a simple structure. It is important to avoid contact between the lip of the dust seal and the piston rod eyelet or other connecting components. Additionally, it is preferable to install the lip of the dust seal outside the housing, as this makes it easier to remove the trapped dirt.
Materials: The standard material is XA-2092, a xipul polyurethane material with a Shore A hardness of 92. Compared to other polyurethane materials currently available on the market, it exhibits improved heat resistance, enhanced hydrolysis resistance, and a smaller compression set value. If you have special requirements (such as temperature, speed, use in water, HFA fluid, HFB fluid, or other media), please contact our consulting service department for recommendations on suitable materials.