A5
CLASS:Wipers
FEATURE:

COTACT US
TEl:0086-0576-83558888
E-Mail:postmaster@xipuli.com.cn
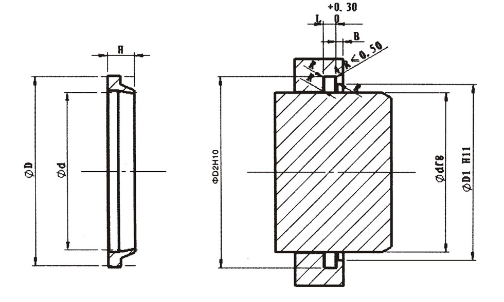
The function of the A5 type dust seal is to prevent the entry of dust, dirt, sand, or debris. This can be achieved through a special design, which greatly protects the guiding components and extends the service life of the seal. The A5 dust seal does not require a ring head screw or bracket for installation. It does not require strict tolerances or metal inserts. The dust seal is supplied as a continuous ring, making it extremely easy to install into the groove. Pressure on the back of the seal should be avoided.
Application scope: The A5 type dust seal is used for axial control rods, plungers, and piston rods of hydraulic cylinders and pneumatic cylinders.
Operating temperature: -35~+100℃ Surface speed: ≤2m/s Installation: The A5 type xipuli dust seal is easy to install into a groove with a relatively simple structure. It is recommended to avoid contact between the lip of the dust seal and the piston rod eyelet or other connecting parts. However, it is preferable to install the dust seal outside the housing, as this makes it easier to remove trapped dirt.
Materials: The standard material is XA-3092. If there are special requirements (temperature, speed, use in water, HFA fluid, HFB fluid, etc.), please contact our consulting service department for recommendations on suitable materials and structures. The A5 type dust seal is prone to being pulled out of the assembly groove under high-speed, long-stroke conditions, so please use it with caution.