JB
CLASS:Wipers
FEATURE:

COTACT US
TEl:0086-0576-83558888
E-Mail:postmaster@xipuli.com.cn
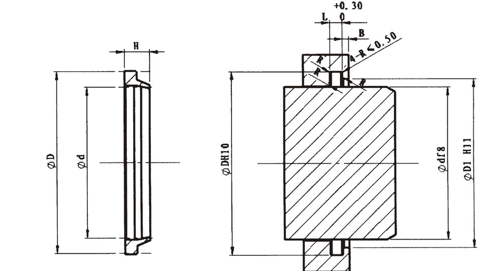
The function of the JB type dust seal is to prevent the entry of dust, dirt, sand, and metal shavings. Through its special design, it prevents dust, scratches, protects the guiding components, and extends the service life of the seal. The diameter with interference ensures that the seal is tightly fitted into the groove, thereby preventing the intrusion of impurity particles and moisture. The JB type dust seal provides a closed cavity for the cylinder body without requiring screws, frames, strict tolerances, or metal inserts, which prevents corrosion that may occur with metal skeleton dust seals. The groove also does not require strict tolerances.
Scope of application: JB dust seals are used on axial control rods, plungers, and shaft sleeves of hydraulic cylinders and pneumatic cylinders.
Operating temperature: -35~+100℃ Surface speed: ≤2m/s Installation: The JB type xipul dust seal is easy to install into the groove. It is important to avoid contact between the lip of the dust seal and the piston rod hole or other connecting components. The lip of the dust seal should be installed outside the housing to facilitate the removal of dirt.
Materials: XA-2095 is a high-performance nano-polyurethane material independently developed by Xipuli. Compared to other polyurethane materials currently available on the market, it exhibits superior resistance to high and low temperatures and enhanced hydrolysis resistance. If you have special requirements (such as temperature, speed, or use in media such as water, HFA fluid, or HFB fluid), please contact our company for recommendations on suitable materials and structures.