JA
CLASS:Wipers
FEATURE:

COTACT US
TEl:0086-0576-83558888
E-Mail:postmaster@xipuli.com.cn
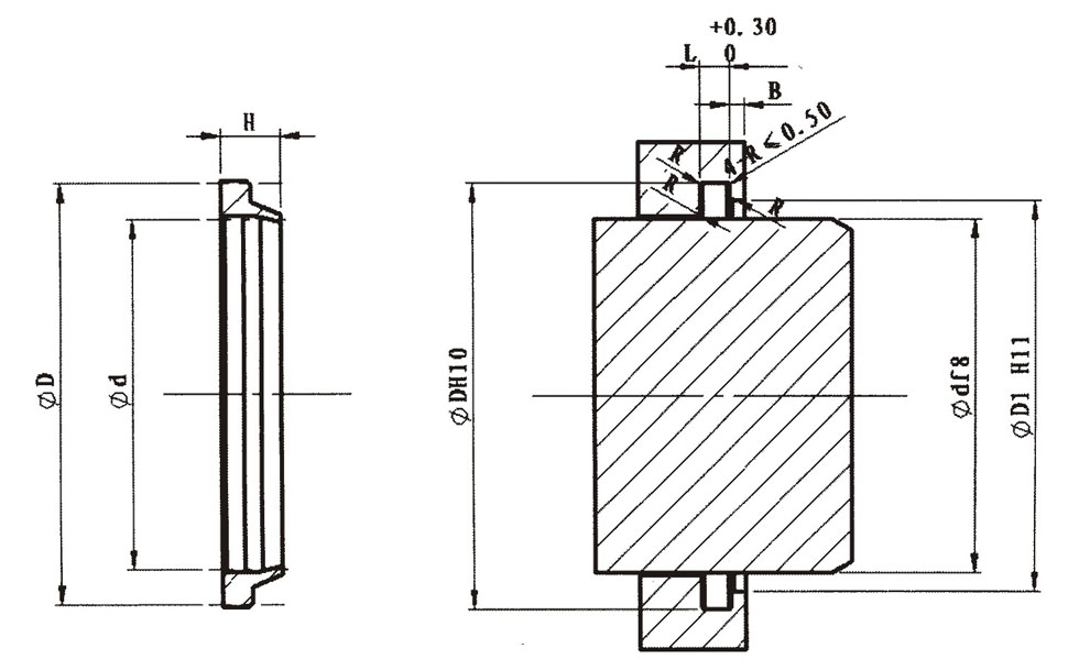
The function of the JA type dust seal is to prevent dust, dirt, sand, and metal shavings from entering. Through its special design, it prevents dust and scratches, protects the guiding components, and extends the service life of the seal. The diameter with interference ensures that the seal is tightly fitted into the groove, thereby preventing the intrusion of impurity particles and moisture.
The JA type dust seal provides a closed cavity for the cylinder body without requiring screws or frames, strict tolerances, or metal inserts, thus preventing corrosion issues that may occur with metal skeleton dust seals. The grooves also do not require strict tolerances.
Application scope: JA type dust seals are used on axial control rods, plungers, and shaft sleeves of hydraulic cylinders and pneumatic cylinders.
Operating temperature: -35~+100℃ Surface speed: ≤2m/s Installation: The JA type xipuli dust seal is easy to install into the groove. It is important to avoid contact between the dust seal lip and the piston rod hole or other connecting components. The dust seal lip should be installed outside the housing to facilitate dirt removal.
Materials: XA-2095 is a high-performance nano-polyurethane material independently developed by Xipuli. Compared to other polyurethane materials currently available on the market, it exhibits superior resistance to high and low temperatures and enhanced hydrolysis resistance. If you have special requirements (such as temperature, speed, or use in media such as water, HFA fluid, or HFB fluid), please contact our company for recommendations on suitable materials and structures.