GFH
CLASS:Wipers
FEATURE:

COTACT US
TEl:0086-0576-83558888
E-Mail:postmaster@xipuli.com.cn
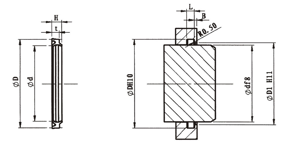
The main function of the GFH type xipuli dust seal is to prevent the entry of powder, dirt, sand, and metal shavings. This is achieved through a special design, which greatly prevents scratches, protects the guiding components, and extends the service life of the seal. The GFH type double-lip anti-seating ring seals the piston along the direction of the cylinder body. It does not require special screws and brackets for installation, does not demand strict tolerances, and does not need metal inserts. The dust seal is a continuous ring shape, which can be easily installed into the groove. In addition, the sealing lip facing the medium reduces the remaining oil film, and the polyurethane rubber material ensures excellent characteristics during dry friction, increasing wear resistance. Due to its good resistance to ozone and radiation caused by climate conditioning, it extends the service life.
Application scope: GFH double-lip dust seals are widely used for sealing and dust prevention in various hydraulic cylinders and pneumatic cylinders.
Operating temperature: -35~+100℃ Surface speed: ≤2m/s Installation: The GFH double-lip dust seal can be easily installed into a groove with a simple structure, featuring wear resistance and a long service life. It is important to avoid contact between the flared end and the piston rod eyelet or other connecting components. Additionally, it is recommended to install the dust seal lip outside the body, as this makes it easier to remove trapped contaminants.
Material: XA-2095 is a high-performance nano-polyurethane material independently developed by Xipuli. Compared with other polyurethane materials currently available on the market, it exhibits superior resistance to high and low temperatures, enhanced hydrolysis resistance, and minimal compression deformation.