FC
CLASS:Wipers
FEATURE:

COTACT US
TEl:0086-0576-83558888
E-Mail:postmaster@xipuli.com.cn
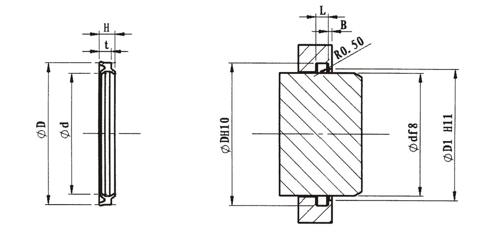
The FC type xipuli dust seal primarily serves to prevent the ingress of powder, dirt, sand, and metal shavings. This is achieved through a special design that significantly reduces scratching, protects the guiding components, and extends the service life of the seal. The FC type double-lip dust seal seals the piston along the direction of the cylinder body. It requires no special screws or brackets for installation, does not demand strict tolerances, and does not necessitate metal inserts. The dust seal is a continuous ring shape, making it easy to fit into the groove. Additionally, the sealing lip facing the medium reduces residual oil film, and the polyurethane rubber compound ensures excellent characteristics during dry friction, enhancing wear resistance. Due to its good resistance to ozone and radiation caused by climatic conditions, the service life is extended.
Installation: The FC type double lip dust seal can be easily installed into grooves with a simple structure. It is wear-resistant and has a long service life. It is important to avoid contact between the lip and the piston rod eyelet or other connecting components. Additionally, it is best to install the dust seal lip outside the housing, as this makes it easier to remove the trapped dirt.
Application scope: The FC type double lip dust seal is widely used in forging hydraulic presses, rubber vulcanizing machines, and various mechanical hydraulic cylinders and pneumatic cylinders.
Operating temperature: -35~+100℃ Surface speed: ≤2m/s Material: XA-2092 is a high-performance nano-polyurethane material independently developed by Xipuli. Compared with other polyurethane materials currently available on the market, it exhibits better resistance to high and low temperatures, enhanced hydrolysis resistance, and minimal compression deformation.