FA
CLASS:Wipers
FEATURE:

COTACT US
TEl:0086-0576-83558888
E-Mail:postmaster@xipuli.com.cn
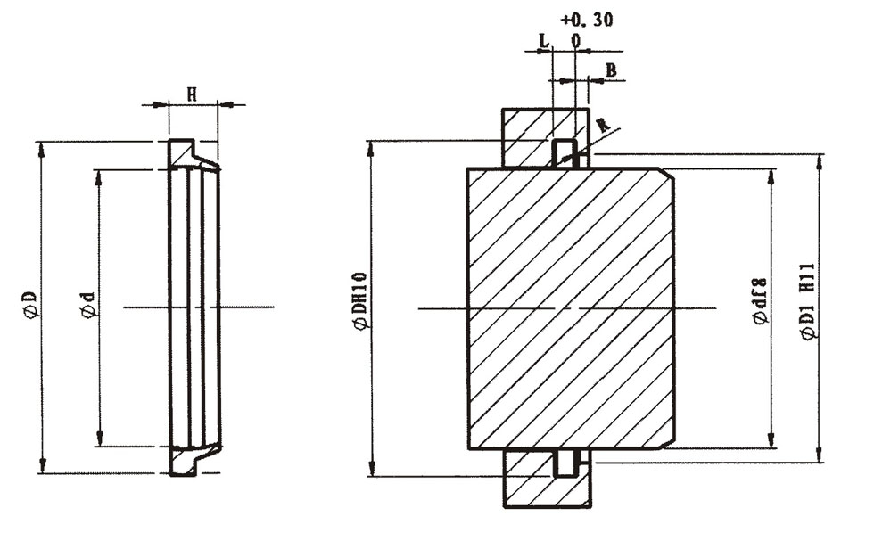
The function of the FA type xipuli dust seal is to prevent the entry of dust, dirt, sand, or debris. This is achieved through a special design that significantly protects the guiding components and extends the service life of the seal. During installation, no eye screws or brackets are required, no strict tolerances are necessary, and no metal inserts are needed. It is extremely easy to install into the groove, and pressure on the back of the seal should be avoided.
Application scope: The FA type dust seal is used for axial control rods, plungers, and piston rods of hydraulic cylinders and pneumatic cylinders.
Operating temperature: -35~+100℃ Surface speed: ≤2m/s Installation: The FA type dust seal is easy to install into a groove with a relatively simple structure. It is important to avoid contact between the lip of the dust seal and the piston rod hole or other connecting parts. It is best to install the dust seal outside the housing, as this makes it easier to remove the trapped dirt.
Material: XA-2092 is a high-performance nano-polyurethane material independently developed by Xipu. Compared with other polyurethane materials currently available on the market, it exhibits superior resistance to high and low temperatures, enhanced hydrolysis resistance, and minimal compression deformation.