
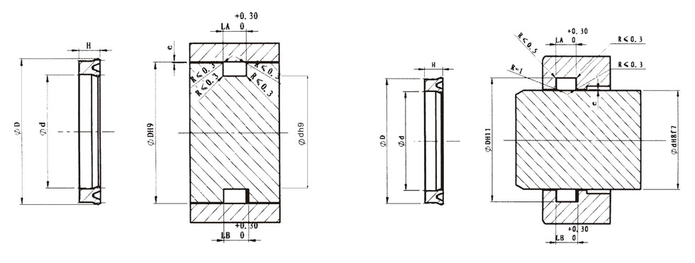
The YA-type dual-purpose seal for holes and shafts is a standard from the former Soviet forging industry, and it was the reference standard for the domestic forging industry in the 1950s. Due to certain design irrationalities, its performance was far from ideal. Therefore, our company has specially designed a set of seals that can be decomposed into a piston-specific seal and a piston rod-specific seal without altering the original groove dimensions. This greatly improves the sealing effect and service life. For details, please refer to our company\'s piston-specific seal NKS type and piston rod-specific seal NZS type. Therefore, our company does not recommend users to choose the YA series when designing new products. This YA type is only provided for specific maintenance markets. Please be informed accordingly.