GTY
CLASS:Pistion And Rod Seals
FEATURE:

COTACT US
TEl:0086-0576-83558888
E-Mail:postmaster@xipuli.com.cn
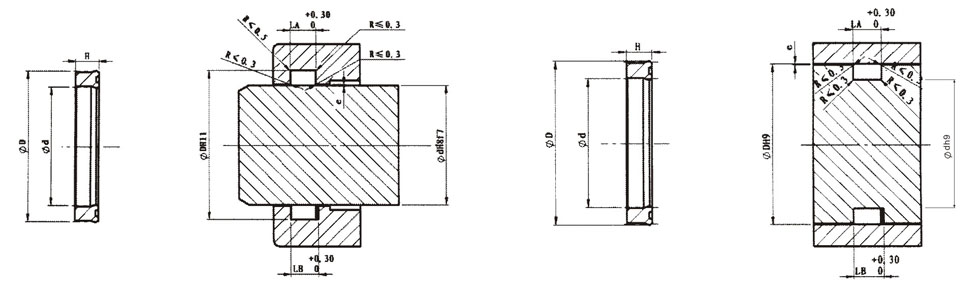
The GTY type xipuli universal shaft hole seal is interchangeable with the D-7 type seal structure from Dingji Company. This is a high-strength semi-extrusion type universal shaft hole seal, which, due to its special structural design, is applied to high-pressure heavy-duty hydraulic cylinders.
Main advantages: ◆ Excellent wear resistance ◆ Strong sealing and extrusion pressure ◆ Small compression deformation ◆ Good universality and resistance to extrusion ◆ Long service life

Scope of application:

Working pressure: ≤40Mpa; working temperature: -20~+100℃; surface speed: 0.03-0.5 m/s; material: XA-1092 is a high-performance polyurethane composite material independently developed by Xipuli, characterized by good low-temperature performance, small compression deformation, and strong rigidity.
Products with a maximum diameter of 4500mm are available