HBY
CLASS:Rod Seals
FEATURE:

COTACT US
TEl:0086-0576-83558888
E-Mail:postmaster@xipuli.com.cn
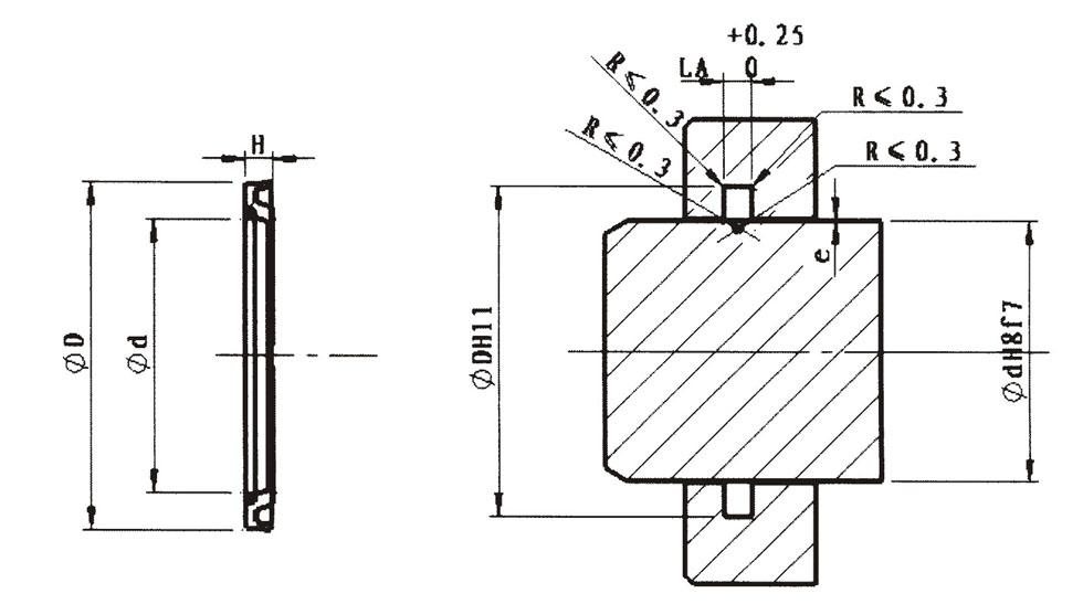
The HBY type xipuli piston rod seal is a cushion seal with a retaining ring. Due to its special structure, the sealing lip facing the medium reduces the pressure transmitted back to the system from the remaining seals. This seal can be used individually or in a series configuration.
Main advantages: ◆ Excellent wear resistance.
◆ Impact resistance.
◆ Resistance to extrusion.
◆ Small compression deformation.
◆Suitable for harsh working environments.
◆ Easy to install.
Application range: Working pressure: ≤40Mpa (peak value up to 80Mpa)

Operating temperature: -25~+100℃

Surface speed: 0.03~1.0m/s. Primarily used for sealing hydraulic cylinders in walking machinery. Installation: These seals should have axial clearance. To avoid damage to the sealing lip, do not pull the seal over sharp edges during installation.
Material: XA-2093 is a composite polyurethane material independently developed by Xipuli. The retaining ring material is POM plastic.