SPNO
CLASS:Rod Seals
FEATURE:

COTACT US
TEl:0086-0576-83558888
E-Mail:postmaster@xipuli.com.cn
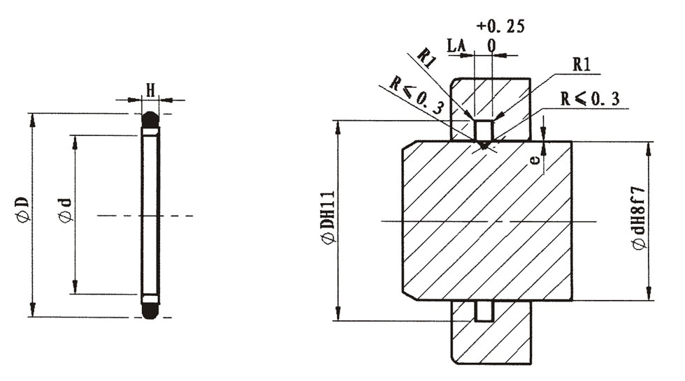
The SPNO type shaft-mounted Stromberg seal is a bidirectional piston rod seal consisting of a PTFE-bronze composite or high-hardness polyurethane piston rod sealing ring and an O-ring.
The SPNO type seal is particularly suitable for controlling servo systems in hydraulic cylinders, machine tools, fast-response cylinders, and bidirectional piston rod cylinders in construction equipment.

Main advantages

◆ Applicable to integrated hydraulic cylinders.
◆ Small installation size.

◆Extremely low starting and motion friction, ensuring smooth movement even at low speeds without any creeping phenomenon. 

◆Resistant to wear and tear.

◆Resistance to compression.
◆ High-temperature resistant materials are optional.
◆ Due to the high resistance of the sealing ring to chemical medium corrosion, and the option to select O-rings and sealing rings made of different materials, the SPNO type seal can be applied to almost all media.
◆ Due to the special shape of the sealing structure, it has good oil film return characteristics.
◆ Products with a maximum diameter of 2000mm are available.