GBU
CLASS:Rod Seals
FEATURE:

COTACT US
TEl:0086-0576-83558888
E-Mail:postmaster@xipuli.com.cn
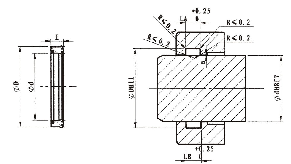
The GBU type xipuli piston rod seal is a compact seal with a retaining ring. It is primarily used in the sealing system of construction machinery cylinders. As a buffer seal, under extreme operating conditions, the cylinder pressure often reaches up to 100 MPa. The GBU type xipu1 piston rod seal isolates the main seal from such loads. Due to its special structure, the sealing lip facing the medium reduces the pressure transmitted back to the system from the remaining seals. This seal can be used individually or in a series configuration.
Main advantages: ◆ Excellent wear resistance.
◆ Resistance to extrusion.
◆ Impact resistance.
◆ Small compression deformation.
◆Adapt to the most demanding working conditions.

◆Conforms to international standards 1S07425/11 and 559/1

◆Sealed groove design.

Application range: working pressure: ≤50Mpa (peak value up to 100Mpa), working temperature: -40~+120℃, surface speed: ≤0.5m/s, hardness: 95A+2. Mainly used for sealing hydraulic cylinders in mobile machinery. Installation: These seals should have axial clearance. To avoid damage to the sealing lip, do not pull the seal over sharp edges during installation.
Material: XA-6095 is a high and low temperature resistant polyurethane composite material independently developed by Xipuli. The retaining ring material follows the international standard ISO 5597/1 W5019