GZY
CLASS:Rod Seals
FEATURE:

COTACT US
TEl:0086-0576-83558888
E-Mail:postmaster@xipuli.com.cn
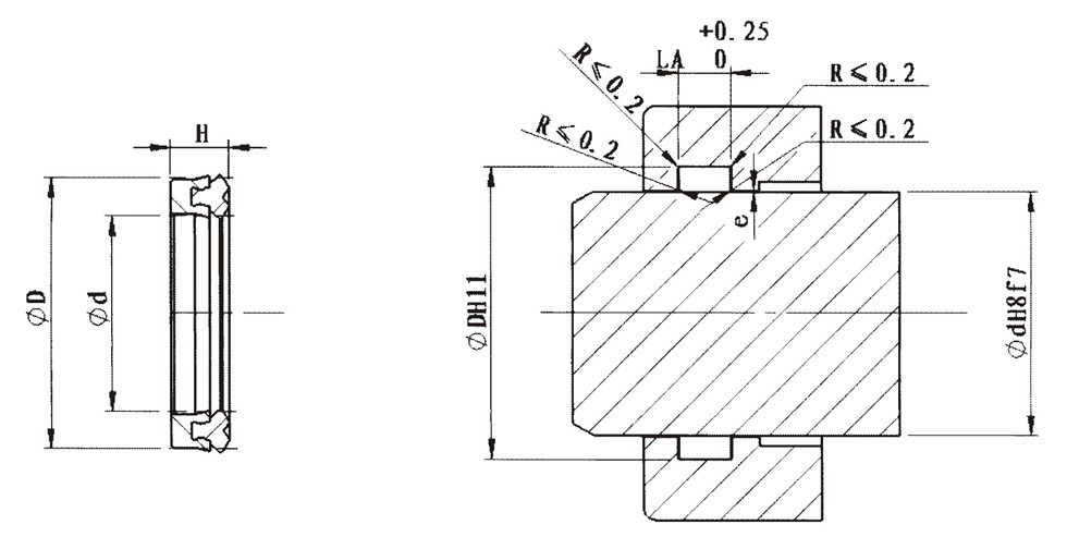
The GZY type xipuli piston rod seal is a further development of the lip seal. It combines the advantages of a high-elasticity rubber Y-ring and a high-performance polyester elastomer. This special sealing combination is particularly suitable for mobile equipment operating under harsh conditions, with no change in sealing performance between -50°C and +130°C.
Main advantages: ◆ Insensitivity to vibration loads and pressure peaks

◆ Good resistance to compression

◆ Adapt to the most demanding working conditions

Application range: Working pressure: ≤45Mpa, working temperature: -40~+130℃ (peak temperature up to 150℃), surface speed: ≤0.6m/s. Mainly used for sealing hydraulic equipment for plunger, piston rod, hydraulic cylinder forging press and mobile equipment.
Installation: These seals should have axial clearance. To avoid damage to the sealing lip, do not pull the seal over sharp edges during installation. Material: Nitrile or fluororubber + rubber elastomer.