GBS
CLASS:Rod Seals
FEATURE:

COTACT US
TEl:0086-0576-83558888
E-Mail:postmaster@xipuli.com.cn
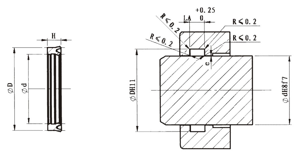
The GBS type xipuli piston rod (for shafts) seal is a lip seal with two sealing lips and a tight fit on the outside. Due to the additional lubricant between the two lips, it greatly prevents dry friction and wear. In certain special cases, this seal can even replace seals used in various applications where the physical properties of ordinary rubber or fabric-reinforced rubber cannot meet the requirements.

Main advantages: 

◆ Excellent wear resistance.

◆ Resistance to extrusion.
◆ Impact resistance.
◆ The compression deformation is small.
◆Adapt to the most demanding working conditions.
◆ Adequate lubrication is provided due to the pressure medium between the sealing lips.
◆ Improved sealing performance under zero pressure.
◆ It effectively prevents the entry of external air.
Application range: Operating pressure: ≤40Mpa Operating temperature: -35~+110℃

Surface speed: ≤0.5m/s

Hardness: 95A+2. Primarily used for sealing piston rods and plungers in heavy-duty mobile machinery and hydrostatic applications, with groove and diameter dimensions conforming to the requirements of international standards 1S05597/1 and 1S03320, respectively. Installation: These seals should have axial clearance. To avoid damage to the sealing lip, do not pull the seal over sharp edges during installation. Material: XA-1095 is a high-performance polyurethane composite material independently developed by Xipuli. Compared to other polyurethane materials currently on the market, its main advantages include better heat resistance, low temperature resistance, enhanced resistance to hydrolysis and aging, and reduced compression deformation.