
The UHR type xipuli piston rod seals are interchangeable and universal with the UHR type grooves of the Walcard brand.
Main advantages:
◆ Small cross-section design, suitable for fitting into an integral slot.
◆ It has good water resistance and durability.
◆ Improvements have been made to prevent damage caused by the back pressure surface.
◆ Improvements have been made to prevent crawling.
◆ It utilizes materials with excellent low-temperature resistance.
◆ It can also be used for hydraulic oil with extremely low temperature.
Scope of application:
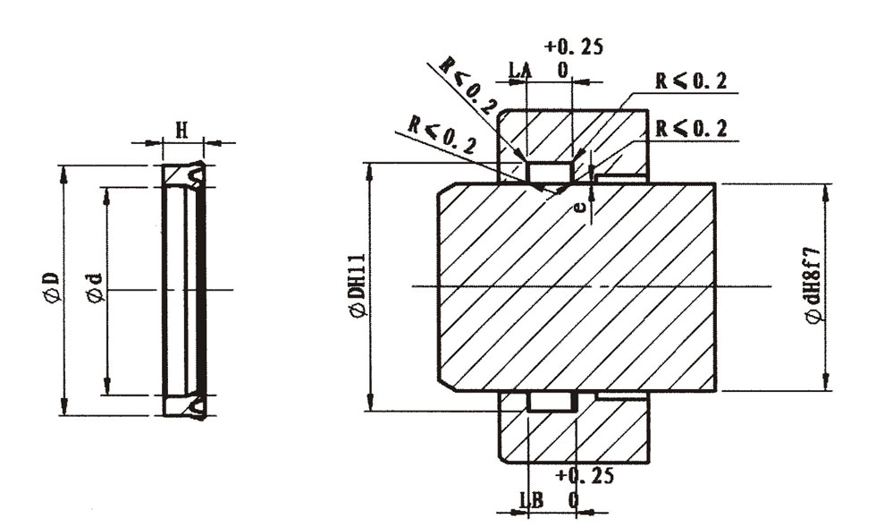
Working pressure: <25Mpa; working temperature: 30-+100℃; surface speed: <0.8m/s; hardness: 92A±2. Mainly used for sealing the piston rod and plunger in hydraulic cylinders for walking machinery, outdoor machinery, and agricultural machinery industries.
Installation: These seals should have axial clearance. To avoid damage to the sealing lip, do not pull the seal over sharp edges during installation.
Material: XA-2092 is a nano-modified high-performance polyurethane material independently developed by Xipuli. It exhibits excellent resistance to high and low temperatures, hydrolytic stability, and minimal compression deformation.