KY-d
CLASS:Rod Seals
FEATURE:

COTACT US
TEl:0086-0576-83558888
E-Mail:postmaster@xipuli.com.cn
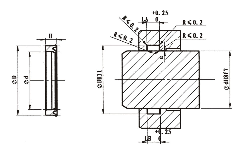
The groove dimensions of the Ky-d type xipuli piston rod (for shaft use) seal are compatible with the national (Chinese) standard KY-d shaft seal.
Main advantages: ◆ Excellent wear resistance.
◆ Resistance to extrusion.
◆ Impact resistance.
◆ Good economic performance.
◆ Easy to install.
Application range: Working pressure: ≤40Mpa, working temperature: -20~+80℃, surface speed: ≤0.5m/s. Mainly used for piston rod sealing in hydraulic cylinders of construction machinery, building machinery, metallurgical machinery, etc.
Installation: These seals should have axial clearance. To avoid damage to the sealing lip, do not pull the seal over sharp edges during installation.
Material: Taiwan-93A material is selected, which is of high quality and low price, offering a good cost-performance ratio.