GZ
CLASS:Rod Seals
FEATURE:

COTACT US
TEl:0086-0576-83558888
E-Mail:postmaster@xipuli.com.cn
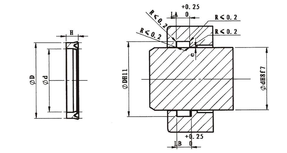
The GZ type xipuli piston rod shaft seal is a conventional shaft seal that has been improved based on the introduction and absorption of international standard piston rod seals. It can replace the groove installation dimensions of Dingji D2, Parker B3, NOK\'s IS1, and IDI.
Main advantages: ◆ Excellent wear resistance.
◆ Impact resistance.
◆ Small compression deformation.
◆ Long service life.
◆ Easy to install.
Application range: Operating pressure: ≤40Mpa Operating temperature: -30~+110℃ Surface speed: ≤0.8m/s Mainly used for piston rod sealing in hydraulic cylinders, heavy-duty mobile machinery, and piston rod sealing in hydrostatic applications.
Material: XA-1095 is a nano-modified high-performance polyurethane material independently developed by Xipuli. Compared with other polyurethane materials currently on the market, its main advantages include improved heat resistance, better hydrolysis resistance, superior aging resistance, reduced compression deformation, and a longer service life. It can be processed into sizes with a maximum diameter of 2.5 meters.