GZS
CLASS:Rod Seals
FEATURE:

COTACT US
TEl:0086-0576-83558888
E-Mail:postmaster@xipuli.com.cn
The GZS type xipuli piston rod seal is an upgraded and improved product based on the original Yx-d shaft seal ring.

Main advantages: 

◆ Reduced friction coefficient 

◆ Excellent wear resistance 

◆ Impact resistance 

◆ Small compression deformation 

◆ Improved sealing performance under zero pressure 

◆ Long service life and easy to install.

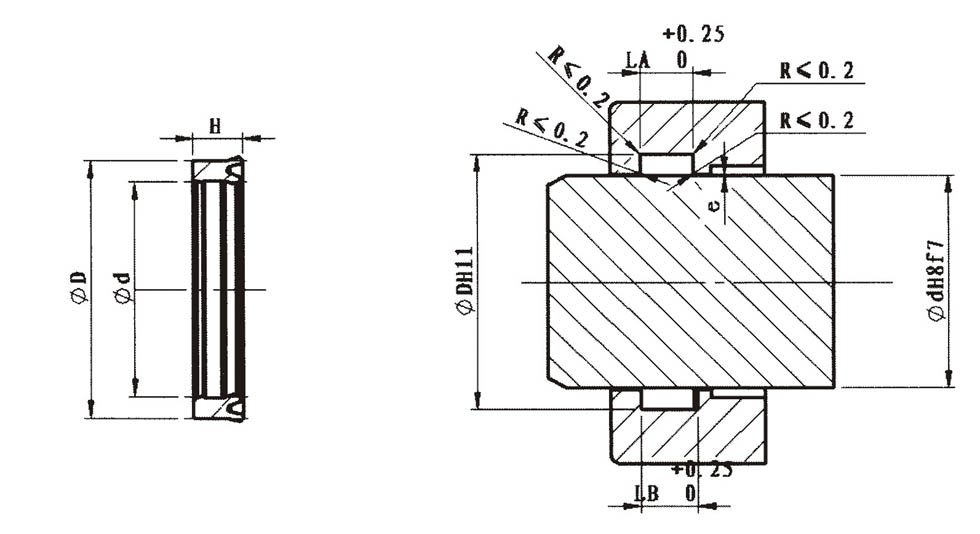
Application range: Operating pressure: ≤40Mpa, Operating temperature: -30~+110℃, Surface speed: ≤0.8m/s. Mainly used for sealing the piston rod on hydraulic cylinders of forging hydraulic presses, rubber vulcanizing machines, hydraulic packers, and other hydraulic machinery.
Installation: These seals should have axial clearance. To avoid damage to the sealing lip, do not pull the seal over sharp edges during installation. Material: XA-1092 is a nano-modified high-performance polyurethane sealing material independently developed by Xipuli. The invention patent number is 201110257111.7. Compared with other polyurethane materials on the market, its main advantages include improved heat resistance, longer anti-aging time, smaller compression deformation, and longer service life.
Products with a maximum diameter of 4500mm can be produced.