SPGW
CLASS:Seal For Piston(Hole)
FEATURE:

COTACT US
TEl:0086-0576-83558888
E-Mail:postmaster@xipuli.com.cn
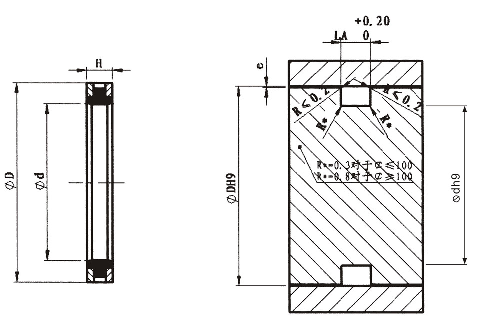
The SPGW type xipuli seal is a compactly designed bidirectional piston seal consisting of a polytetrafluoroethylene (PTFE) sealing ring, a nitrile elastomer ring, and two retaining rings.
Application range: Working pressure: ≤50Mpa, working temperature: -40~+120℃, surface speed: ≤1.2m/s. Suitable for pistons of hydraulic cylinders in heavy-duty mobile machinery.
Rubber compound: Seal ring: PTFE + 40% bronze powder.
Elastic ring: 70A nitrile rubber.
Retaining ring: reinforced polyamide material.