
Main advantages:
◆ The guiding and sealing functions are achieved by the seal itself in a very small space.
◆ Suitable for use in mineral oil, HFA fluid, HFB, and HFC fire-resistant hydraulic oils (up to 60°C).
◆ Seal installation is simple.
◆ Short length, integral piston installation.
◆ The special geometric shape of the elastic element ensures that it does not twist in the groove during installation. Application range: Working pressure: ≤40Mpa. Working temperature: -35~+100°C. Surface speed: ≤0.5m/s. This type of seal is used in industrial and mobile equipment for press drive cylinders, support cylinders, and double-acting pistons in working cylinders.
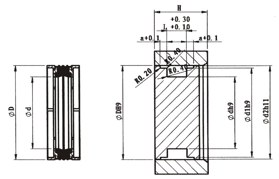
Installation: Before installing, it is necessary to remove any sharp edges and burrs from the sealing element installation area. The installation should be carried out in the following order: "elastic element - retaining ring - guide ring". Care should be taken to ensure that the contact points (gaps) between the guide ring and the retaining ring are arranged in a "cross" position.