
Main advantages:
◆ Excellent anti-clearance extrusion performance
◆ Integrated sealing, support, and guidance
◆ Good wear resistance and semi-energy absorption
◆ Impact resistance
◆ Adaptability to the most demanding working conditions
◆ Long service life
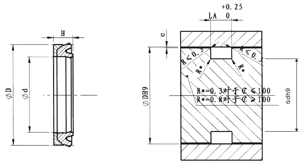
◆ Easy to install Application range: Working pressure: ≤40Mpa Working temperature: -30~+110℃ Surface speed: ≤1.0m/s Hardness: 95A+2 Mainly used for piston sealing, support, and guidance in medium and high-pressure heavy-duty hydraulic cylinders.
Material: Combination of XA-1095 nano-modified high-performance polyurethane material and reinforced polyoxymethylene material.