
Main advantages:
◆ Large cross-section and high pressure design
◆ Excellent water resistance and durability
◆ Improvements to prevent damage caused by back pressure
◆ Improvements to prevent creeping
◆ Utilizes materials with excellent low-temperature resistance
Application range: Working pressure: ≤40Mpa Working temperature: -30~+100℃ Surface speed: ≤0.5m/s Hardness: 92A±2 Primarily used for piston seals on hydraulic cylinders in walking machinery, outdoor machinery, etc.
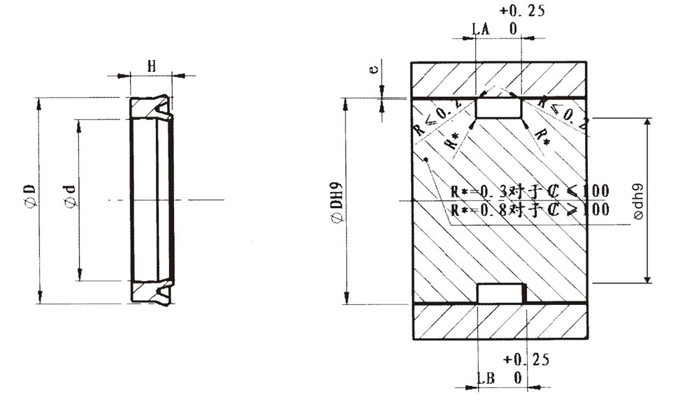
Installation: These seals should have axial clearance. To avoid damage to the sealing lip, do not pull the seal over sharp edges during installation. Material: XA-2091 is a nano-modified high-performance polyurethane material independently developed by Xipuli, which has excellent resistance to high and low temperatures and hydrolysis aging, and exhibits minimal compression deformation.