
Main advantages:
◆ Small cross-section design allows for installation in an integral groove
◆ Excellent water resistance and durability
◆ Improvements made to prevent damage caused by back pressure
◆ Improvements made to prevent creeping
◆ Utilizes materials with excellent low-temperature resistance
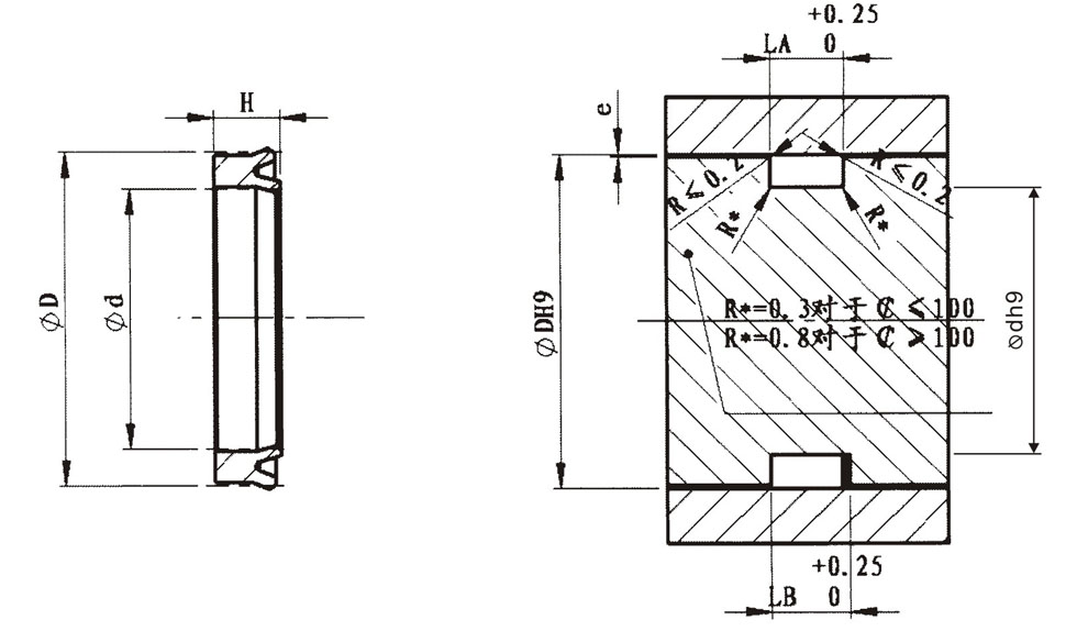
◆ Can also be used in particularly low-temperature hydraulic oil applications Scope of application: Working pressure: ≤25Mpa Working temperature: -30~+100℃ Surface speed: ≤0.8m/s Hardness: 92A+2 Primarily used for piston seals on hydraulic machinery cylinders in the mobile machinery, outdoor machinery, and agricultural machinery industries.
Installation: These seals should have axial clearance. To avoid damage to the sealing lip, do not pull the seal over sharp edges during installation.